推薦新聞

座機:0531-83317677
手機: 13964033677
聯(lián)系人:
Q Q: 1302842311
郵箱: 1302842311@qq.com
地址: 山東省濟南市章丘區(qū)雙山街道豐年大道666號
羅茨風機工作原理是什么?
時間 : 2019-12-04 15:51 瀏覽量 : 351
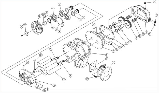
羅茨風機由機殼、墻板、葉輪、進出口消聲器等4大部分組成。
機殼:主要用來支撐墻板、葉輪、消聲器和固定的作用。
墻板:主要用來連接機殼與葉輪,并支撐葉輪的旋轉,以及起到端面密封的效果。
葉輪:是羅茨風機的旋轉部分,分兩葉和三葉,但由于三葉的比兩葉的出氣脈動小、噪聲小,運轉平穩(wěn)等很多優(yōu)點,已逐漸代替兩葉羅茨風機。
消聲器:用減小羅茨風機的進、出由于氣流脈動產生的噪音。
? ? 羅茨風機工作原理是羅茨風機是容積式風機的一種,有兩個三葉葉輪在由機殼和墻板密封的空間中相對轉動,由于,每個葉輪都是采用漸開線,或是外擺線的包絡線為葉輪加工型線,每個葉輪的三個葉片是完全相同,同時兩個葉輪也是完全相同的,這樣就大大降低了加工難度。
? ? 羅茨鼓風機葉輪在加工時采用數控設備,保證了兩個葉輪在中心距不變情況.下,不管兩個葉輪旋轉到什么位置,都能保持一定的極小間隙,保證氣體的泄露在允許范圍內。兩個葉輪相向轉動,由于葉輪與葉輪,葉輪與機殼,葉輪與墻板之間的間隙極小,從而使進氣口形成了真空狀態(tài),空氣在大 氣壓的作用下進入進氣腔,然后,每個葉輪的其中兩個葉片與墻板、機殼構成了一個密封腔,進氣腔的空氣在葉輪轉動的過程中,被兩個葉片所形成密封腔不斷地帶 到排氣腔,又因為排氣腔內的葉輪是相互嚙合的,從而把兩個葉片之間的空氣擠壓出來,這樣連續(xù)不停的運轉,空氣就源源不斷地從進氣口輸送到出氣口,這就是羅茨風機的整個工作過程。

標簽:
當前位置: